Renegade Public Forums
C&C: Renegade --> Dying since 2003™, resurrected in 2024!
Home » General Discussions » General Discussion » Place to get good hardware pieces
Place to get good hardware pieces [message #415720] Sun, 27 December 2009 13:40 Go to next message
Omar007 is currently offline  Omar007
Messages: 1711
Registered: December 2007
Location: Amsterdam
Karma: 0
General (1 Star)
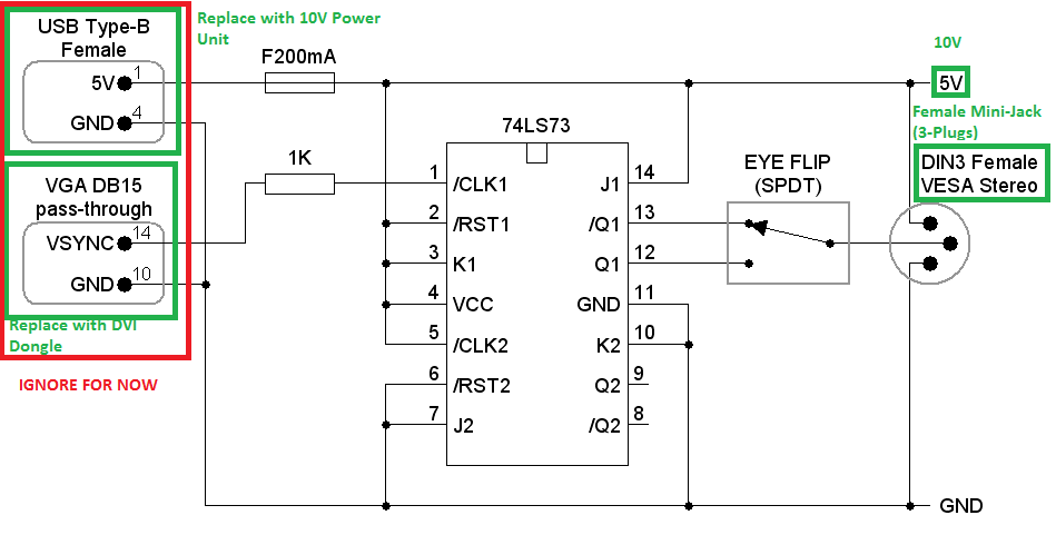
Well i've been looking into some old PC stuff and found an old 3D shutter glass. ASUS VR100 did i come up with after googling.
I have never used it and i bought it over 6 years ago for €5,-

Now i want it to hook up with my DVI screen so i can get the VSync to control the glasses:

index.php?t=getfile&id=12286&private=0

As you see i need a few parts Razz

What is the best place to get them???
With shipping to Netherlands if it's an online shop Razz
I don't want to buy it with 10 or 20 at once. I only need 1 (well maybe 2 just in case)

EDIT: DVI Dongle (pass-through) doesnt has to be ingnored. The PSU can Wink
EDIT2: DVI-I not A or D so i have a full pass-through


http://tiberiumredux.omarpakker.nl/Old Unused Parts/Plaatjes/PromoteBanner_Hades_small.jpg

[Updated on: Sun, 27 December 2009 13:52]

Report message to a moderator

Re: Place to get good hardware pieces [message #415850 is a reply to message #415720] Mon, 28 December 2009 08:37 Go to previous messageGo to next message
Omar007 is currently offline  Omar007
Messages: 1711
Registered: December 2007
Location: Amsterdam
Karma: 0
General (1 Star)
bump and update Rocked Over

I now only need the 74SL73 chip and a DVI pass-through (or 2 DVI plugs i can solder myself as emergency plan Wink )

I found that the glasses also operate on 9V which i can get from the PC's internal power supply ^^

So the last few things i need in a row:
* 74LS73 chip
* DVI Pass-Through (or loose plugs)


http://tiberiumredux.omarpakker.nl/Old Unused Parts/Plaatjes/PromoteBanner_Hades_small.jpg
Re: Place to get good hardware pieces [message #415860 is a reply to message #415720] Mon, 28 December 2009 09:23 Go to previous messageGo to next message
luv2pb is currently offline  luv2pb
Messages: 1489
Registered: February 2004
Karma: 0
General (1 Star)
Not everything is as it appears
Untouchable
WE have a place here called "Radio Shack" that actually sells all this crap and at good prices too.

I doubt they have them by you though so really this doesn't help you much. Huh


N00bstories Director Of Operations
Re: Place to get good hardware pieces [message #415865 is a reply to message #415720] Mon, 28 December 2009 09:29 Go to previous messageGo to next message
Omar007 is currently offline  Omar007
Messages: 1711
Registered: December 2007
Location: Amsterdam
Karma: 0
General (1 Star)
I know indeed of radio shack and we dont have it here sadly Sad

I went to 2 electronic shops but 1 didnt even have chips and the other didnt has that chip >.<
They both didnt had DVI stuff...


http://tiberiumredux.omarpakker.nl/Old Unused Parts/Plaatjes/PromoteBanner_Hades_small.jpg

[Updated on: Mon, 28 December 2009 09:31]

Report message to a moderator

Re: Place to get good hardware pieces [message #415917 is a reply to message #415720] Mon, 28 December 2009 12:14 Go to previous messageGo to next message
Goztow is currently offline  Goztow
Messages: 9768
Registered: March 2005
Location: Belgium
Karma: 14
General (5 Stars)
Goztoe
I'd try a computer shop (one of the local nerd shops).

You can find me in The KOSs2 (TK2) discord while I'm playing. Feel free to come and say hi! TK2 discord
Re: Place to get good hardware pieces [message #415925 is a reply to message #415720] Mon, 28 December 2009 12:36 Go to previous messageGo to next message
dr3w2 is currently offline  dr3w2
Messages: 485
Registered: September 2006
Location: Ottawa,Canada
Karma: 0
Commander
Not sure if they do international, but a Prof at school was using this for components and what not

http://www.dealextreme.com/


n00bstories Server Administrator
Re: Place to get good hardware pieces [message #415961 is a reply to message #415925] Mon, 28 December 2009 14:03 Go to previous messageGo to next message
Omar007 is currently offline  Omar007
Messages: 1711
Registered: December 2007
Location: Amsterdam
Karma: 0
General (1 Star)
andr3w282 wrote on Mon, 28 December 2009 20:36

Not sure if they do international, but a Prof at school was using this for components and what not

http://www.dealextreme.com/

Well they do have a cheap DVI extension cord which i could snap in halve to modify it Razz

And they ship worldwide for free they say ^^

EDIT: Cant seem to find chips. Only replacements for printers etc


UPDATE-EDIT: i found this site for the chip. Anyone heard of it?? I never had; http://www.littlediode.com/components/74LS73_Integrated_Circuit.html


http://tiberiumredux.omarpakker.nl/Old Unused Parts/Plaatjes/PromoteBanner_Hades_small.jpg

[Updated on: Mon, 28 December 2009 14:20]

Report message to a moderator

Re: Place to get good hardware pieces [message #416003 is a reply to message #415720] Mon, 28 December 2009 19:00 Go to previous message
Doitle is currently offline  Doitle
Messages: 1723
Registered: February 2003
Location: Chicago, IL
Karma: 0
General (1 Star)
Moderator/Captain

RadioShack is insanely expensive for this stuff.

My favorite site:
http://www.futurlec.com/

Should have most of what you need. They can be a bit slow to ship but they are in Thailand so that's not too suprising.

http://www.goldmine-elec.com/

They are another good site, though a bit more "surplus" in feel. They might have something some weeks and not the next.

http://www.digikey.com/

Then there is DigiKey. They are the big name in parts. They will have just about everything ever, but they might be a tad bit more expensive for them. Seriously though anything is going to be cheaper than RadioShack.

I've had good experiences with all three sites. Good luck and if you need any help troubleshooting this thing feel free to send me a PM or post in here.


http://www.n00bstories.com/image.fetch.php?id=1285726594
Previous Topic: Ban Loki?
Next Topic: Which FPS is the best to you?
Goto Forum:
  


Current Time: Tue Apr 14 05:09:44 MST 2026

Total time taken to generate the page: 0.00992 seconds